RICAMBI CYBERNAUT
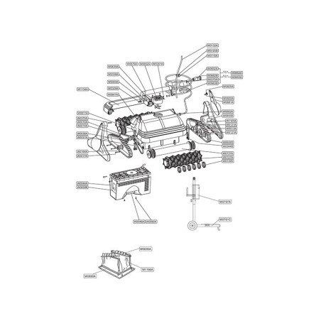
Ricambi per robot piscina Cybernaut. Scegli il ricambio di cui hai bisogno fra quelli disponibili oppure scarica lo schema esploso e richiedi un preventivo per il pezzo che ti serve
Ricambi per robot piscina Cybernaut. Scegli il ricambio di cui hai bisogno fra quelli disponibili oppure scarica lo schema esploso e richiedi un preventivo per il pezzo che ti serve